Назад

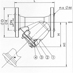
Фильтр сетчатый фланцевый Tecofi F3240 чугун Ду 65 Ру16

Есть в наличии
Артикул:
13 261
руб.

*Первый взнос
Количество:
Доставка в
Описание
Фильтр сетчатый фланцевый Tecofi F3240 чугун Ду 65 Ру16 купить легко. Просто наберите 8 (495) 902 54 79 (для Москвы); 8 (800) 505 27 39 (бесплатно для регионов), оформите заказ через корзину сайта, или напишите на почту: info@hidrocontrol.ru.
Характеристики
  • Наименование фильтра
    Сетчатый
  • Страна происхождения
    Франция
  • Диаметр, Ду
    65
  • Материал корпуса
    серый чугун
  • Максимальная температура рабочей среды, С°
    200
  • Монтажная длина L, мм
    290
  • Размер ячейки сетки, мм
    0,8
  • Рабочее давление фильтра, бар
    16
  • Масса фильтра, кг
    11,5
Отзывы