Назад

Сифон Viega для стиральной/ посудомоечной машины, арт. 636364, модель 5635.3

Есть в наличии
Артикул:
9 361
руб.

*Первый взнос
Количество:
Доставка в
Описание

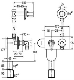
Сифон скрытого монтажа в стене, самопромывной для стиральной/ посудомоечной машины Viega, хромированный, арт. 636364, модель 5635.3

Сифон Viega для слива из сантехнической бытовой техники. Предназначен для подключения стиральных, посудомоечных и др. машин с откачивающим насосом к системам водоотведения. Имеет гидрозатвор, и механически перекрывает доступ газов из систем водоотведения в помещение. 

Популярный вариант для скрытого монтажа слива, для современного ремонта. Снабжён декоративной планкой-розеткой. 

Монтаж сифона Виега

Сифон Viega монтируется в предварительно выштробленную в стене нишу. В видимой доступности остается только розетка из нержавеющей стали, и хромированный носик штуцера для подключения шланга посудомойки или стиралки.

Комплектация сифона Виега

Монтажный профиль, декоративная накладка из нержавеющей стали, хромированный отвод 90° для присоединения шланга.
Внимание!  Хромированный вентиль для воды 1/2" х 3/4" для налива воды в бытовой прибор (посудомойку, стиралку), в комплект не входит. Докупается отдельно. 

Сифон Viega арт. 636364 для стиральных/ посудомоечных машин для скрытого монтажа хромированный купить легко. Просто наберите 8(495)9025479 (для Москвы); ☏ 8 (800) 505 27 39 (бесплатно для регионов), оформите заказ через корзину сайта, или напишите на почту:  info@hidrocontrol.ru. Самовывоз (с 9.00 до
20.00 ежедневно) | Доставка (Москва 1-2 дня, 500 руб.) | Отправим ТК по всей России.

Характеристики
  • Производитель
    Viega
  • Назначение сифона
    посудомоечная машина, стиральная машина
  • Наименование
    сифон встраиваемый
  • Материал
    пластик
  • Цвет
    хромированный
  • Страна происхождения
    Германия
  • Диаметр слива.
    ø 40-50 мм
  • Монтаж
    скрытый
  • Контроль качества
    согласно DIN 19541
  • Назначение
    подсоединение сливного шланга стиральной/ посудомоечной машины
Отзывы