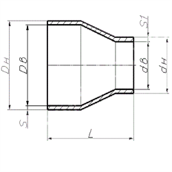
Переход стальной пов. качества концентрический Дн 377х9.0-273х7.0 (Ду 350х250) бесшовный ГОСТ 17378-2001
        
            Характеристики
            
        
        
            
                
        
    
    
        
- 
            Вид переходабесшовный
- 
            ГОСТ перехода17378-2001
- 
            Покрытие переходачерный
- 
            Размер перехода, Дн377,0
- 
            Размер перехода, Ду350
- 
            Страна происхождения переходаРоссия
- 
            Толщина стенки перехода9,0
 
                    