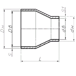
Переход стальной пов. качества концентрический Дн 273х7.0-133х4.0 (Ду 250х125) бесшовный ГОСТ 17378-2001
        
            Характеристики
            
        
        
            
                
        
    
    
        
- 
            Вид переходабесшовный
- 
            ГОСТ перехода17378-2001
- 
            Покрытие переходачерный
- 
            Размер перехода, Дн273,0
- 
            Размер перехода, Ду250
- 
            Страна происхождения переходаРоссия
- 
            Толщина стенки перехода7,0
 
                    