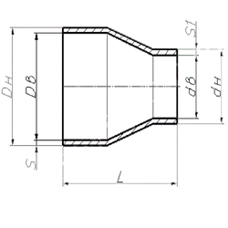
Переход стальной пов. качества концентрический Дн 114х4.0-57х3.0 (Ду 100х50) бесшовный ГОСТ 17378-2001
        
            Характеристики
            
        
        
            
                
        
    
    
        
- 
            Вид переходабесшовный
- 
            ГОСТ перехода17378-2001
- 
            Покрытие переходачерный
- 
            Размер перехода, Дн114,0
- 
            Размер перехода, Ду100
- 
            Страна происхождения переходаРоссия
- 
            Толщина стенки перехода4,0
 
                    