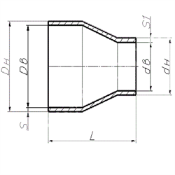
Переход стальной пов. качества концентрический Дн 108х4.0-76х3.5 (Ду 100х65) бесшовный ГОСТ 17378-2001
        
            Характеристики
            
        
        
            
                
        
    
    
        
- 
            Вид переходабесшовный
- 
            ГОСТ перехода17378-2001
- 
            Покрытие переходачерный
- 
            Размер перехода, Дн108,0
- 
            Размер перехода, Ду100
- 
            Страна происхождения переходаРоссия
- 
            Толщина стенки перехода4,0
 
                    